Casa Pezzente
Sepino,
- 1876 ante
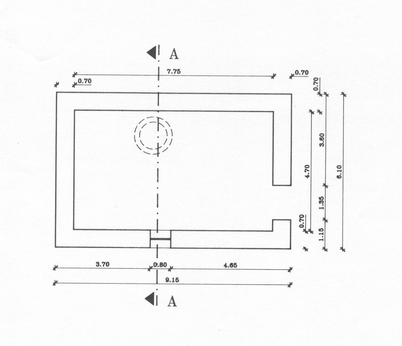
Edificio di un solo piano di forma rettangolare con murature in pietrame, tetto, con struttura lignea, a falda unica e solai con struttura lignea. Serbatoio e vasca all'esterno, sul fronte posteriore
- OGGETTO mulino-ad acqua, privato
- AMBITO CULTURALE Maestranze Ottocentesche
- LOCALIZZAZIONE Sepino (CB) - Molise , ITALIA
- INDIRIZZO Strada Comunale Colle, Sepino (CB)
- TIPOLOGIA SCHEDA Architettura
-
CONDIZIONE GIURIDICA
proprietà privata
- CODICE DI CATALOGO NAZIONALE 1400075564
- ENTE COMPETENTE PER LA TUTELA Soprintendenza per i Beni Architettonici e Paesaggistici del Molise
- ENTE SCHEDATORE Soprintendenza per i Beni Architettonici e Paesaggistici del Molise
- DATA DI COMPILAZIONE 1991
-
DATA DI AGGIORNAMENTO
1992
2017
-
DOCUMENTAZIONE ALLEGATA
Documento di archivio (1)
-
DOCUMENTAZIONE GRAFICA
planimetria catastale (1)
planimetria catastale (2)
planimetria catastale (3)
planimetria catastale (4)
- LICENZA METADATI CC-BY 4.0